ROBOT HÀN LASER bán kính 2m – 3000W CH 2.0ZD3000W Himag là giải pháp hàn tự động linh hoạt, đáp ứng hiệu quả nhu cầu hàn kim loại tấm mỏng đến trung bình. Với khả năng làm việc ổn định trong không gian rộng, robot phù hợp cho sản xuất hàng loạt, mang lại đường hàn đẹp, đồng đều và nâng cao năng suất cho doanh nghiệp cơ khí hiện đại.
Đặc điểm máy robot hàn laser bán kính 2M – 3000W – CH 2.0ZD3000W
- Ứng dụng cho hàn tấm mỏng và tấm có độ dày trung bình phù hợp cho các ngành công nghiệp như gia công kim loại tấm, đồ gia dụng, vật liệu xây dựng, dụng cụ nhà bếp, ô tô và nhiều sản phẩm khác.
- Hàn năng suất cao: Xử lý hiệu quả các tấm kim loại và các chi tiết phức tạp.
- Sẵn sàng cho sản xuất hàng loạt: Tối ưu hóa cho quy trình hàn nhanh, lặp lại chính xác nhằm tăng năng suất.
- Vật liệu hàn: thép cacbon, inox, tôn mạ kẽm, hợp kim nhôm và các vật liệu khác.
- Đường hàn ổn định, độ thẩm mỹ cao.
Để tìm hiểu, so sánh cấu hình, chức năng và công suất, anh chị có thể xem đầy đủ tại danh mục ROBOT CÔNG NGHIỆP để có thể lựa chọn phù hợp.
Thông số kỹ thuật máy robot hàn laser bán kính 2M – 3000W – CH 2.0ZD3000W
| Số trục | : 6 trục |
| Tải trọng tối đa | : 12kg |
| Độ chính xác vị trí lặp lại | : ± 0.08 mm |
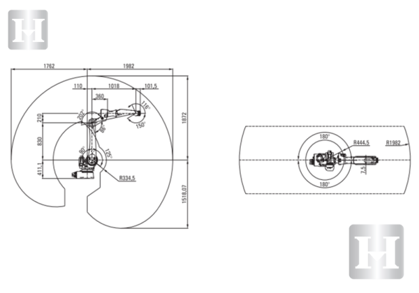
| Bán kính hoạt động tối đa | : 1980mm |
| Phạm vi chuyển động của các trục | |
| Trục J1 | : ± 1800 |
| Trục J2 | : + 900 đến – 1250 |
| Trục J3 | : +2020 đến – 860 |
| Trục J4 | : ± 1700 |
| Trục J5 | : +1160 đến – 1500 |
| Trục J6 | : ± 3600 |
| Tốc độ di chuyển tối đa | |
| Trục J1 | : 1450 / giây |
| Trục J2 | : 1150 / giây |
| Trục J3 | : 1500 / giây |
| Trục J4 | : 2650 / giây |
| Trục J5 | : 2150 / giây |
| Trục J6 | : 2600 / giây |
| Mô-men xoắn trục tối đa | |
| Trục J4 | : 22 N.m |
| Trục J5 | : 22 N.m |
| Trục J6 | : 9.8 N.m |
| Quán tính mô-men xoắn | |
| Trục J4 | : 0.65 kg. m2 |
| Trục J5 | : 0.65 kg.m2 |
| Trục J6 | : 0.17 kg.m2 |
| Mức bảo vệ | : thân máy IP54, cổ tay IP65 |
| Công suất laser | : 3000W |
| Phương thức làm mát | : làm mát bằng nước cất |
| Khí bảo vệ | : khí argon, nitơ |
| Bước sóng laser | : 1080nm |
| Chiều dài sợi cáp quang | : 10m |
| Điện áp | : 380V/50Hz |
| Môi trường làm việc | : 0 – 45 độ C, độ ẩm 20- 80% ( không ngưng tụ ) |
| Kích thước đế | : 300x420mm |
| Trọng lượng robot | : khoảng 198 Kg |
Thông số kỹ thuật, đặc điểm thiết kế, màu sắc máy có thể thay đổi mà không cần thông báo trước, nhưng vẫn không làm thay đổi chức năng và khả năng vận hành của máy.
Xem thêm: Robot hàn laser 3000w– CH 1.5ZD3000W tối ưu cho các sản phẩm uốn cần hàn hoàn chỉnh ngay lập tức.
Phạm vi chuyển động robot hàn laser bán kính 2M – 3000W – CH 2.0ZD3000W

Sản phẩm từ máy robot hàn laser bán kính 2M – 3000W – CH 2.0ZD3000W

Thông tin hỗ trợ, tư vấn và báo giá HIMAG
HIMAG chúng tôi cung cấp đa dạng nhiều dòng máy khác nhau như máy laser fiber CNC gia công tấm, ống, máy hàn laser fiber, máy cắt khắc laser CO2,.. đảm bảo đáp ứng các nhu cầu sản xuất khác nhau của bạn. Tại đây với đội ngũ kỹ thuật giàu kinh nghiệm, tay nghề cao luôn áp dụng các kỹ thuật công nghệ mới nhất. Đặc biệt khi sử dụng các dịch vụ và các sản phẩm tại HIMAG quý khách sẽ nhận được nhiều ưu đãi và quyền lợi khác nhau.
- Chất lượng sản phẩm: các dòng máy tại HIMAG được sản xuất theo các tiêu chuẩn chất lượng cao ISO 9001:2015
- Dịch vụ vận chuyển: Hỗ trợ vận chuyển miễn phí trong khu vực thành phố Hồ Chí Minh và các khu vực lân cận như Bình Dương, Đồng Nai, Long An,..
- Dịch vụ lắp đặt: hỗ trợ lắp đặt, hướng dẫn vận hành miễn phí từ A-Z cho quý khách.
- Linh kiện chính hãng: Tất cả các dòng sản phẩm tại HIMAG sử dụng linh kiện của các hãng nổi tiếng như Raytools, IPG, Raycus, Schneider, HWIN, PEK,…và luôn sẵn kho để thay thế nhanh chóng cho quý khách không làm ảnh hưởng tới quá trình sản xuất.
Mọi thắc mắc liên hệ về dòng máy hàn laser quý khách vui lòng liên hệ thông tin sau đây:
- Email : info.metalhimag@gmail.com
- Hotline : 098 118 7118
- Website : himag.com.vn
Ngoài ra quý khách có thể đến địa chỉ xưởng của chúng tôi tại: 401 Tô Ngọc Vân, phường Thạnh Xuân, Quận 12, Tp Hồ Chí Minh để xem các dòng máy hiện đại khác.


